Ang isang 555 PWM circuit ay isang simple at cost-effective na paraan upang makontrol ang kapangyarihan gamit ang pulso-lapad modulation. Sa pamamagitan ng pag-aayos ng duty cycle sa halip na pagbaba ng boltahe, mahusay itong kinokontrol ang bilis ng motor, liwanag ng LED, at iba pang mga naglo-load na may kaunting pagkawala ng init. Ipinaliliwanag ng artikulong ito kung paano bumubuo ang 555 timer ng PWM, kung paano bumuo ng circuit, kalkulahin ang dalas, at i-troubleshoot ang mga karaniwang isyu.

Ano ang isang 555 PWM Circuit?
Ang isang 555 PWM circuit ay gumagamit ng 555 timer IC upang makabuo ng isang pulso-lapad modulation (PWM) signal. Ang PWM ay isang parisukat na alon kung saan ang mga oras ng ON at OFF ay maaaring ayusin habang ang signal ay patuloy na lumipat sa pagitan ng mataas at mababang antas.
Sa halip na ibaba ang boltahe, ang circuit ay lumipat ng kuryente sa at pag-off ng kuryente sa mataas na bilis. Ang pamamaraang ito ay nagpapabuti sa kahusayan dahil ang output device ay gumagana alinman sa ganap na ON o ganap na OFF, na binabawasan ang pagkawala ng init. Dahil sa simpleng disenyo, mababang gastos, at matatag na pagganap, ang 555 PWM circuit ay malawakang ginagamit sa mga application ng kontrol na mababa at katamtamang kapangyarihan.
555 Timer Pinout at Core Function

| Numero ng Pin | Pangalan ng Pin | Pangunahing Pag-andar |
|---|---|---|
| Pin 1 | GND | Sanggunian sa lupa para sa circuit |
| Pin 2 | Trigger | Nagsisimula sa tiyempo kapag ang boltahe ay bumaba sa ibaba 1/3 VCC |
| Pin 3 | Output | Nagbibigay ng signal ng output ng PWM (gumamit ng MOSFET/driver para sa mga power load) |
| Pin 4 | I-reset | Piwersa output MABABA kapag hinila MABABA |
| Pin 5 | Kontrolin ang Boltahe | Inaayos ang mga panloob na antas ng threshold (magdagdag ng isang maliit na kapasitor upang mabawasan ang ingay) |
| Pin 6 | Threshold | Nagtatapos sa tiyempo kapag ang boltahe ay lumampas sa 2/3 VCC |
| Pin 7 | Paglabas | I-discharge ang tiyempo capacitor |
| Pin 8 | VCC | Input ng suplay ng kuryente (karaniwang 5-15 V, depende sa variant ng IC) |
Sinusubaybayan ng mga pin 2 at 6 ang boltahe ng kapasitor ng tiyempo, habang kinokontrol ng pin 7 ang landas ng paglabas. Sa loob ng 555, dalawang comparator lumipat ng estado kapag ang kapasitor ay tumatawid sa 1/3 VCC at 2/3 VCC, na lumilikha ng paulit-ulit na singil-discharge cycle na bumubuo ng PWM sa pin 3.
Output drive tala (mahalaga): Ang Pin 3 ay maaaring mapagkukunan / lumubog ng kasalukuyang, ngunit hindi ito idinisenyo upang mapalakas ang mga motor o iba pang mga high-current load. Ang "hanggang sa ~ 200 mA" figure ay nakasalalay sa IC pamilya at mga kondisyon ng pagpapatakbo, at pagtulak ng mataas na output kasalukuyang nagdaragdag ng boltahe drop at init. Tratuhin ang pin 3 bilang isang control signal at gumamit ng isang MOSFET o driver stage upang ang 555 ay manatiling cool at ang load kasalukuyang ay hawakan nang ligtas.
Prinsipyo ng Pagtatrabaho ng 555 PWM Circuit
Ang 555 PWM circuit ay gumagamit ng isang matatag na pagsasaayos ng oscillator upang makabuo ng isang output ng square-wave. Ang isang potentiometer at dalawang steering diode ay naghihiwalay sa mga landas ng singil at paglabas ng tiyempo capacitor. Pinapayagan ng disenyo na ito ang siklo ng tungkulin na baguhin sa isang malawak na hanay habang pinapanatili ang dalas na medyo matatag.
• Habang ang kapasitor ay nagsingil, ang boltahe nito ay tumataas. Kapag umabot ito sa 2/3 VCC, ang 555 ay lumipat ng output LOW at isinagana ang discharge transistor (pin 7). Habang ang kapasitor ay naglalabas at bumaba sa ibaba ng 1/3 VCC, ang output ay lumipat muli ng HIGH. Ang paulit-ulit na singil-discharge cycle na ito ay gumagawa ng isang signal ng PWM sa pin 3. Ang pag-aayos ng potentiometer ay nagbabago ng paglaban sa bawat landas, na nagbabago ng ratio ng T_ON sa T_OFF.
• Para sa kontrol ng motor, ang pin 3 ay nagmamaneho ng isang MOSFET sa antas ng lohika na ginagamit bilang isang switch ng mababang bahagi. Ang kasalukuyang motor ay dumadaloy sa pamamagitan ng MOSFET habang ang 555 ay kumokontrol sa paglipat. Ang isang flyback diode sa buong motor ay nagpoprotekta laban sa inductive boltahe spikes.
• Tip ng dalas ng PWM (mahalagang tradeoff): Ang isang hanay sa paligid ng 15-20 kHz ay madalas na pinili upang mabawasan ang naririnig na paghihilik ng motor. Gayunpaman, ang mas mataas na dalas ay maaaring dagdagan ang mga pagkalugi sa paglipat ng MOSFET at pag-init. Kung ang iyong MOSFET ay tumatakbo nang mainit, isaalang-alang ang bahagyang pagbaba ng dalas, pagpapabuti ng gate drive, o pagdaragdag ng isang heatsink.
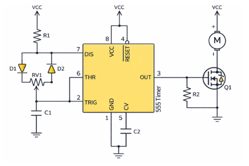
Pag-unawa sa 555 PWM Circuit Diagram

Kasama sa circuit ang apat na pangunahing seksyon: power supply, timing network, output stage, at mga bahagi ng proteksyon.
• Seksyon ng Kuryente: Ang Pin 8 ay kumokonekta sa VCC at pin 1 sa lupa. Ang Pin 4 (RESET) ay kumokonekta sa VCC upang mapanatiling aktibo ang timer. Ang Pin 5 ay kumokonekta sa lupa sa pamamagitan ng isang maliit na kapasitor upang patatagin ang panloob na sanggunian.
• Timing Network: Ang mga pin 2 at 6 ay kumonekta nang magkasama at nag-uugnay sa capacitor ng tiyempo. Ang mga resistor, isang potentiometer, at mga diode ng pagpipiloto ay lumilikha ng magkakahiwalay na mga landas ng pagsingil at paglabas.
• Output at Drive Stage: Ipinapadala ng Pin 3 ang signal ng PWM sa MOSFET gate sa pamamagitan ng isang maliit na resistor upang mabawasan ang ingay ng paglipat.
• Mga Bahagi ng Proteksyon: Ang isang flyback diode sa buong motor ay sumisipsip ng mga spike ng boltahe.
Pagtitipon ng 555 PWM Circuit
Sundin ang mga hakbang na ito upang bumuo at i-verify ang circuit nang maaasahan:
Kapangyarihan ang 555 Timer
Ikonekta ang pin 8 sa VCC at pin 1 sa ground. Itali ang pin 4 (RESET) sa VCC upang maiwasan ang hindi kanais-nais na pag-shutdown. Magdagdag ng isang 0.01 μF kapasitor mula sa pin 5 (Control Boltahe) sa lupa upang mabawasan ang ingay at mapabuti ang katatagan.
Bumuo ng Network ng Tiyempo
Ikonekta ang mga pin 2 (Trigger) at 6 (Threshold) nang magkasama. Ikonekta ang timing capacitor mula sa node na ito sa lupa. Idagdag ang mga resistors, potentiometer, at steering diodes upang ang kapasitor ay gumagamit ng hiwalay na mga landas ng singil at paglabas, na nagpapahintulot sa pagsasaayos ng duty-cycle na may minimal na dalas ng pag-andar.
Itakda ang Dalas at Duty Cycle
Pumili ng mga halaga ng resistor at kapasitor upang itakda ang dalas ng PWM. Para sa kontrol ng DC motor, ang 15-20 kHz ay karaniwang ginagamit upang mabawasan ang naririnig na ingay.
Idagdag ang yugto ng MOSFET
Ikonekta ang pin 3 (Output) sa MOSFET gate sa pamamagitan ng isang 100-220 Ω gate resistor upang mabawasan ang pag-ring at paglipat ng mga spike. Magdagdag ng isang pull-down resistor (karaniwang 10 kΩ) mula sa gate hanggang sa lupa upang ang MOSFET ay mananatiling OFF sa panahon ng pagsisimula. Para sa isang tipikal na low-side N-channel MOSFET setup, ikonekta ang motor sa pagitan ng VCC at ang MOSFET drain, ikonekta ang pinagmulan ng MOSFET sa lupa, at panatilihin ang mataas na kasalukuyang mga kable na maikli at sapat na makapal para sa kasalukuyang stall ng motor
Magdagdag ng Mga Bahagi ng Proteksyon
Mag-install ng isang flyback diode nang direkta sa tapat ng mga terminal ng motor upang i-clamp ang inductive kickback. Pumili ng isang diode na na-rate para sa kasalukuyang motor (kabilang ang mga spike). Ilagay ang mga decoupling capacitor malapit sa circuit:
• 0.1 μF ceramic malapit sa 555 VCC pin
• 10-100 μF electrolytic sa buong supply rails (malapit sa motor supply entry)
• Tip sa pag-kable / layout: Panatilihing pisikal na hiwalay ang mga landas ng kasalukuyang motor mula sa 555 timing ground. Ang isang diskarte sa bituin-lupa ay tumutulong na mabawasan ang ingay at kawalan ng katatagan ng PWM.
Subukan ang Circuit
Bago ikonekta ang motor, i-verify ang output ng PWM sa pin 3 gamit ang isang LED na may isang resistor na naglilimita sa kasalukuyan o isang oscilloscope. Kumpirmahin na ang duty cycle ay nagbabago nang maayos gamit ang potentiometer. Pagkatapos ikonekta ang motor, suriin ang temperatura ng MOSFET sa panahon ng operasyon at i-verify ang matatag na kontrol sa bilis.
555 PWM Circuit kumpara sa Paghahambing ng Microcontroller PWM

| Tampok | 555 PWM Circuit | Microcontroller PWM |
|---|---|---|
| Gastos | Napakababang gastos | Mas mataas na gastos |
| Pagiging kumplikado | Simpleng disenyo gamit ang mga pangunahing bahagi | Nangangailangan ng programming at firmware |
| Kinakailangan ang Programming | Hindi | Oo |
| Katatagan ng Dalas | Katamtaman, apektado ng component tolerance | Mataas, kinokontrol ng digital |
| Katumpakan | Limitadong katumpakan | Mataas na katumpakan at pinong resolusyon |
| Mga Channel ng PWM | Karaniwan, solong output | Maramihang mga channel ng PWM na magagamit |
| Kakayahang umangkop | Nakapirming disenyo na nakabatay sa hardware | Lubos na programmable at naaayos |
| Pinakamahusay Para sa | Simple, standalone na mga application | Advanced na kontrol ng motor at automation |
Mga Pakinabang ng Paggamit ng isang 555 PWM Circuit para sa Motor Control
Kapag ginamit para sa kontrol ng DC motor, ang isang 555 PWM circuit ay nag-aalok ng mga praktikal na pakinabang na nakahanay nang maayos sa elektrikal at mekanikal na pag-uugali ng mga motor. Sa pamamagitan ng mabilis na paglipat ng supply at pagkontrol ng duty cycle, ang motor ay tumatanggap ng buong boltahe pulses habang ang average na kapangyarihan ay nababagay. Pinapayagan nito ang epektibong kontrol sa bilis nang walang malaking pagkalugi ng enerhiya na nauugnay sa pagbawas ng linear boltahe.
Ang kontrol na nakabatay sa PWM ay nagpapanatili ng metalikang kuwintas ng motor sa mababang bilis nang mas epektibo kaysa sa resistive o linear na pamamaraan. Dahil nakikita ng motor ang malapit-rated na boltahe sa bawat panahon ng ON, ang pagsisimula ng metalikang kuwintas at tugon sa pag-load ay pinabuting, na lalong kapaki-pakinabang para sa mga tagahanga, bomba, at maliliit na sistema ng pagmamaneho na dapat mapagtagumpayan ang kawalang-kilos o variable na mekanikal na pag-load.
Ang 555 PWM circuit ay pinapasimple din ang disenyo ng yugto ng kapangyarihan para sa mga motor. Gamit ang timer na kumikilos lamang bilang isang mapagkukunan ng signal ng kontrol at isang MOSFET sa antas ng lohika na humahawak sa kasalukuyang motor, ang pagwawaldas ng init ay puro sa isang solong, mahusay na tinukoy na aparato ng paglilipat. Ginagawa nitong mas madali ang pamamahala ng thermal at nagpapabuti sa pangkalahatang pagiging maaasahan kumpara sa mga disenyo na nagpapaalis ng kapangyarihan sa maraming bahagi.
Ang isa pang bentahe ay ang mahuhulaan na pag-uugali sa ilalim ng ingay ng kuryente. Ang mga motor ay bumubuo ng mga spike ng paglipat at kasalukuyang mga transient, ngunit ang analog na likas na katangian ng 555 timer, na sinamahan ng tamang pag-decoupling at grounding, ay nagbibigay ng matatag na henerasyon ng PWM nang walang mga pag-crash ng firmware o tiyempo ng jitter. Ginagawa nitong angkop ang circuit para sa standalone motor control kung saan ang pagiging simple at tibay ay ginusto kaysa sa programmability.
Pagkalkula ng Dalas ng PWM at Duty Cycle
Sa isang matatag na mode, ang 555 ay naniningil at naglalabas ng isang kapasitor ng tiyempo upang makabuo ng isang paulit-ulit na parisukat na alon. Ang dalas ng output ay humigit-kumulang:
f = 1 / (0.693 × (Rcharge + Rdischarge) × C)
Kung saan:
• Rcharge = paglaban sa landas ng pagsingil ng kapasitor
• Rdischarge = paglaban sa landas ng paglabas ng kapasitor
• C = tiyempo kapasitor
Ang pagtaas ng paglaban o kapasidad ay nagpapababa ng dalas. Ang pagbabawas ng mga ito ay nagpapataas ng dalas.
• Mahalagang tala para sa diode-steering PWM circuits: Kapag ang mga diode ng pagpipiloto ay ginagamit, ang kapasitor ay naniningil sa pamamagitan ng isang landas ng paglaban at naglalabas sa pamamagitan ng ibang landas. Nangangahulugan ito na ang TON at TOFF ay kinokontrol nang mas nakapag-iisa, at ang duty cycle ay maaaring magbago nang may mas kaunting pagkakaiba-iba ng dalas kaysa sa isang pangunahing hindi matatag na disenyo. Upang matantya ang tiyempo nang mas tumpak, kalkulahin ang bawat oras nang hiwalay gamit ang epektibong paglaban sa landas na iyon.
Ang siklo ng tungkulin ay kinakalkula bilang:
Duty Cycle (%) = TON / (TON + TOFF) × 100
Kung saan:
• TON = output HIGH time
• TOFF = output MABABANG oras
Ang isang mas mataas na duty cycle ay nagdaragdag ng average na boltahe at kapangyarihan ng pag-load. Ang isang mas mababang duty cycle binabawasan ang average na kapangyarihan habang pinapanatili ang parehong peak boltahe.
Mga Karaniwang Problema at Pag-troubleshoot
Kung ang circuit ay hindi gumagana tulad ng inaasahan, suriin ang mga karaniwang isyu na ito:
• Hindi tumatakbo ang motor: Kumpirmahin ang boltahe ng supply at mga koneksyon sa lupa. I-verify na ang pagkakasunud-sunod ng pin ng MOSFET (Gate / Drain / Source) ay tumutugma sa datasheet. Tiyaking ang flyback diode ay nasa tapat ng motor sa tamang direksyon. Suriin na ang pin 3 ay gumagawa ng isang signal ng PWM at na ang gate ng MOSFET ay tumatanggap nito.
• Ang motor ay tumatakbo sa buong bilis lamang: Karaniwan itong tumuturo sa isang problema sa mga kable ng kontrol ng duty cycle. Muling suriin ang mga kable ng potentiometer at orientation ng diode ng manibela. Ang isang shorted diode o miswired pot ay maaaring maiwasan ang mga pagbabago sa mga paglaban sa singil / paglabas.
• MOSFET overheats (pinalawak): Gumamit ng isang logic-level MOSFET na may mababang RDS (on) sa iyong gate boltahe. Tandaan na ang pagkawala ng conduction ay humigit-kumulang:
P ≈ I² × RDS(on)
Tandaan din na ang kasalukuyang stall ng motor ay maaaring 3-10× ang tumatakbo na kasalukuyang, kaya sukat ang MOSFET at diode nang naaayon. Kung magpapatuloy ang pag-init, bahagyang ibaba ang dalas ng PWM, pagbutihin ang gate drive (yugto ng driver), o magdagdag ng heatsink.
• Hindi matatag na operasyon o ingay: Magdagdag ng mga capacitor ng decoupling (0.1 μF malapit sa 555 + isang mas malaking electrolytic sa buong supply). Panatilihing maikli ang mga kable at iwasan ang mahabang lead ng motor. Gumamit ng star grounding o hiwalay na high-current motor return mula sa ground node ng 555 upang mabawasan ang maling pag-trigger.
Ang isang multimeter ay tumutulong na kumpirmahin ang mga boltahe at pagpapatuloy. Ang isang oscilloscope ay pinakamahusay para sa pagsuri ng waveform sa pin 3, ang MOSFET gate, at ang mga terminal ng motor.
Mga Aplikasyon ng 555 PWM Circuit
• Kontrol sa liwanag ng LED: Ang pag-aayos ng siklo ng tungkulin ay nagbabago sa average na kasalukuyang sa pamamagitan ng LED, na nagpapahintulot sa makinis na pagdidilim nang walang makabuluhang pagkawala ng kuryente.
• Kontrol sa bilis ng fan: Mahusay na kinokontrol ng PWM ang mga maliliit na tagahanga ng DC sa mga sistema ng paglamig, binabawasan ang ingay at nagpapabuti ng kahusayan ng enerhiya kumpara sa kontrol na nakabatay sa boltahe.
• Pangunahing mga circuit ng pagsingil ng baterya: Sa mga simpleng disenyo ng charger, ang PWM ay maaaring makatulong na ayusin ang kasalukuyang pagsingil, bagaman ang mas advanced na mga profile ng pagsingil ay nangangailangan ng dedikadong mga IC ng controller.
• Pagbuo ng tono ng audio: Sa pamamagitan ng pagsasaayos ng dalas sa halip na siklo ng tungkulin, ang 555 ay maaaring makabuo ng mga tono ng parisukat na alon para sa mga buzzer, alarma, at simpleng mga proyekto ng tunog.
• Kontrol ng kapangyarihan ng pampainit: Pinapayagan ng PWM ang kinokontrol na paghahatid ng kuryente sa mga resistive na elemento ng pag-init, na pinapanatili ang temperatura nang mas mahusay kaysa sa patuloy na operasyon ng buong kapangyarihan.
Konklusyon
Ang 555 PWM circuit ay nananatiling isang praktikal na solusyon para sa maaasahang kontrol ng kapangyarihan sa mga standalone application. Sa pamamagitan lamang ng ilang mga bahagi, naghahatid ito ng adjustable output, matatag na paglipat, at solidong pagganap para sa mga motor, LED, at katulad na mga naglo-load. Sa pamamagitan ng pag-unawa sa prinsipyo ng pagtatrabaho nito, mga kalkulasyon, at tamang pagpupulong, maaari kang magdisenyo ng isang mahusay na PWM controller na angkop para sa maraming mga proyekto na mababa hanggang katamtamang kapangyarihan.
Mga Madalas Itanong [FAQ]
Anong hanay ng boltahe ang maaaring ligtas na gumana ang isang 555 PWM circuit?
Karamihan sa mga karaniwang NE555 o LM555 timer ay gumagana sa pagitan ng 5V at 15V DC. Ang paglampas sa 15V ay maaaring makapinsala sa IC. Para sa mga sistema ng mas mababang boltahe (tulad ng 3.3V o 5V logic), ang isang bersyon ng CMOS tulad ng TLC555 ay mas angkop dahil sa mas mababang pagkonsumo ng kuryente at pinabuting kahusayan.
Maaari bang kontrolin ng isang 555 PWM circuit ang mga high-current motor nang direkta?
Hindi. Bagaman ang 555 output ay maaaring mapagkukunan o lumubog hanggang sa tungkol sa 200 mA, hindi ito dapat magmaneho ng mataas na kasalukuyang pag-load nang direkta. Ang isang logic-level MOSFET o transistor ay kinakailangan upang mahawakan ang kasalukuyang motor nang ligtas at maiwasan ang sobrang pag-init o pagkabigo ng IC.
Paano mo ayusin ang isang 555 PWM circuit para sa 100% duty cycle?
Sa karamihan ng mga karaniwang disenyo na may mga diode ng manibela, ang siklo ng tungkulin ay maaaring lumapit sa malapit sa 0% o malapit sa 100%, ngunit bihirang umabot sa isang perpektong 100% dahil sa mga panloob na limitasyon ng paglipat. Ang pagbabago ng mga halaga ng resistor o paggamit ng mga alternatibong pagsasaayos ay maaaring mapalawak ang saklaw ng pagsasaayos.
Bakit maingay o hindi matatag ang aking 555 PWM signal?
Ang ingay ay kadalasang nagreresulta mula sa mahinang grounding, mahabang wire, o nawawalang decoupling capacitors. Ang pagdaragdag ng isang 0.1 μF capacitor na malapit sa 555 power pin at pagpapanatiling maikli ang mga kable ay tumutulong na patatagin ang operasyon at mabawasan ang mga hindi kanais-nais na oscillations.
Maaari bang gamitin ang isang 555 PWM circuit para sa mga proyekto na pinapatakbo ng baterya?
Oo, ngunit ang kahusayan ng kuryente ay nakasalalay sa mga uri ng 555. Ang mga bersyon ng Bipolar 555 ay kumonsumo ng mas maraming kasalukuyang, na mas mabilis na nauubos ang mga baterya. Ang mga variant ng CMOS ay binabawasan ang standby kasalukuyang at nagpapabuti sa buhay ng baterya, na ginagawang mas angkop ang mga ito para sa mga portable na disenyo.